{{i.title}}
YE3系列IP55三相异步电动机
起订量:20
注:如果您有任何问题,请联系我们
- 1.YE3/YE4系列电机是全封闭超高效鼠笼式转子、超高效三相异步电机,它广泛应用于各种常用机械设备的一般使用中,如金属切削
- 2.YE3/YE4系列电机额定功率及装配尺寸符合IEC国际标准,与德国DIN2673标准一致,电机防护等级IP55,冷却方式IC411,连续工作(S1)。测试模式啊
- 3.该电机的额定电压为380v,额定频率为50hz。电机的高度不应超过1000米;环境空气温度随季节变化,但不超过40℃,最低气温不应低于-15℃。
- 4.电机可根据用户要求导出。不同的电压,不同的频率。双轴拉伸。干(湿)型特殊要求,如热带式电机。
- 5.本机可根据用户要求提供绕组测温装置、定子绕组测温开关、轴承测温装置、绕组加热区等。
- ye3 - 160 l - 4
成立年份:
产品描述

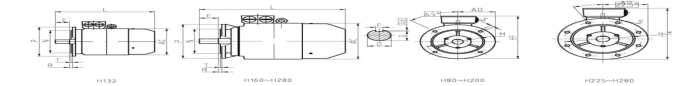
Frame | poles | Installation dimension and tolerance | Overall dimensions | ||||||||||||||||||||
A | B | C | D | E | F | Ga | H | Kb | AB | AC | AD | HD | L | ||||||||||
160L | 2~6 | 254 | 254 | 108 | ±3.0 | 42 | +0.002 | 110 | ±0.43 | 12 | 0-0.043 | 37 | 0-0.20 | 160 | 0-0.5 | 14.5 | +0.43 | Φ1.2ⓜ | 320 | 330 | 255 | 420 | 700 |

Frame | Flange | poles | Installation dimension and tolerance | Overall dimensions | ||||||||||||||||||||||||||||||||
A | B | c | D | E | F | Ga | H | K | M | N | A | Rd | S | T | holes | AB | AC | AD | HD | L | ||||||||||||||||
160L | FF330 | 2~6 | 254 | 254 | 108 | ±3.0 | 42 | +0.018 ;+0.002 | 110 | ±0.43 | 12 | 0-0.043 | 37 | 0-0.20 | 160 | 0 -0.5 | 14.5 | 0.43 | Φ1.2 Ⓜ | 300 | 250 | 0.016 ;0.013 | 350 | 0 | ±3.0 | 18.5 | 0.52 | Φ1.2 Ⓜ | 5 | 0-0.12 | 4 | 320 | 330 | 255 | 420 | 700 |

Frame |
|
| Installation dimension and tolerance | Overall dimensions | ||||||||||||||||||||||
Flange | poles | D | E | F | Ga | M | N | J | Rd | Sb | T | holes | AC | AD | HF | L | ||||||||||
160L | FF300 | 2~6 | 42 | +0.018; +0.002 | 110 | ±0.43 | 12 | 0-0.043 | 37 | 0 -0.20 | 300 | 250 | 0.016;0.013 | 350 | 0 | ±3.0 | 18.5 | +0.52 | Φ1.2 Ⓜ | 5 | 0 -0.12 | 4 | 330 | 255 | 385 | 700 |

中文
English
Español
Français